Бокс распределительный навесной Tekfor CNK 40-12-1 (12 модулей, черная прозрачная дверь, IP41), белый
Навесные распределительные щиты Tekfor серии C предназначены для настенного монтажа в помещениях разного назначения.
Применяются для установки модульных устройств на DIN-рейку.

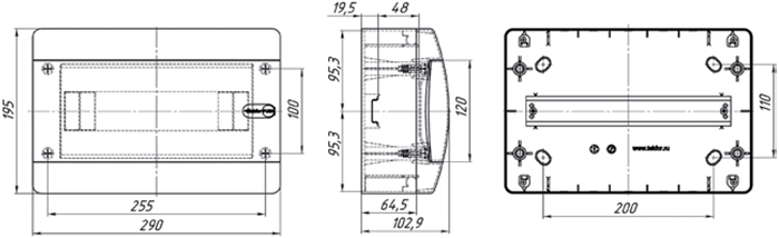
Размеры

Материалы и цвета
| Тип поверхности дверцы | прозрачный |
| Цвет дверцы | Черный |
| Цвет корпуса | Белый (RAL 9016) |
| Материал | самозатухающий термопластик |
Особенности конструкции
![]() |
Конструкция щита позволяет без применения дополнительных устройств обеспечить пломбирование щита, с использованием специальных мест. |
![]() |
На днище имеются выдавливаемые отверстия для подведения кабеля. |
![]() |
Крышка щита имеет выдавливаемые элементы под дополнительные модульные устройства. |
![]() |
Выдавливаемые отверстия для подведения кабеля сбоку выполнены с внутренней стороны, что позволяет сохранить гладкой внешнюю поверхность щита. |
![]() |
Клеммы PE/N защищены от прикосновения. | ![]() |
Корпус имеет четыре точки крепления к стене. |
![]() |
Держатель клеммных шин может |
![]() |
Благодаря пружинному микрозамку нажимно-отжимного типа запирание и открывание дверцы производится простым нажатием. |
![]() |
Дверца имеет возможность установки замка для ограничения доступа в щит. |
![]() |
Пластиковые быстро закручиваемые винты крышки щита, с возможностью пломбирования щита. |
Технические характеристики
| Артикул | 01-04-005 |
| Тип изделия | распределительный щит |
| Модульная ширина (шаг 18 мм) | 12 |
| Количество рядов | 1 |
| Максимальная высота модульных устройств для установки в щит, мм | 53 |
| Тип установленной DIN-рейки | оцинкованная 35 х 7,5 мм |
| Рабочая температура, °C | -25... +60 |
| Степень защиты от пыли и влаги | IP41 |
| Класс электроизоляции | II |
| Огнестойкость, °С | +650 в соответствии с ГОСТ 27483 (МЭК 60 695-2-1) |
| Способ монтажа | открытая установка |
| Стандарты | ГОСТ Р 50827 (МЭК 670) |
Преимущества
- Доставка по всей России
- Более 200 000 товаров в ассортименте
- Профессиональная консультация
- Кабель БЕЗ опасности
- Качество по ГОСТу
-
Зайдите на страницу товара и нажмите на кнопку «В корзину».
Далее можно продолжить покупки или перейти к оформлению заказа.
-
Перейдите в Корзину и нажмите «Перейти к оформлению».
Можно авторизоваться или оформить заказ без регистрации. Зарегистрированные пользователи могут:
- Отслеживать статус заказа
- Получать спецпредложения и промокоды на дополнительные скидки
- Укажите Ваши контакты: ФИО, телефон и e-mail.
- Выберите способ получения заказа (доставка или пункт самовывоза) и способ оплаты.
- Далее «Оформить заказ».
Готово: ваш заказ создан! По электронной почте или в личном кабинете Вы можете отслеживать статус заказа.
Теперь останется только ждать доставки и радоваться новой покупке!
Оплачивайте покупки удобным способом.
В нашем интернет-магазине доступно 3 варианта оплаты:
- Оплата наличными или картой при самовывозе в пункте выдачи заказов/магазине.
- Онлайн-оплата на сайте при оформлении заказа. Для совершения покупки система перенаправит вас на страницу платежного сервиса. Здесь необходимо заполнить форму по инструкции.
- Оплата по счету для юридических лиц. Оплата происходит после предоставления реквизитов для выставления счета. Покупатель получает счет на указанный e-mail.
Доступно 3 варианта доставки:
- Самовывоз из магазина. Список торговых точек для выбора появится в корзине. Для получения заказа обратитесь к сотруднику в кассовой зоне и назовите номер заказа.
- Доставка транспортной компанией СДЭК или Почтой РФ в отделение или постамат.
По всем возникающим вопросам можете позвонить нам на горячую линию:
Ежедневно с 8:00 до 20:00 по МСК
E-mail: help@kristall43.ru
Адрес: 610000, г. Киров, ул. Щорса, 68г, кабинет 3









