Лампа сигнальная DEKraft ЛК22-ADDS-GRN-LED-24 (АС/DC 24 В, IP54, led матрица), зеленый
Лампы коммутационные DEKraft серии ЛК-22 предназначены для индикации состояния электрических цепей.
Применяются в электрических цепях переменного тока частотой 50 / 60 Гц с номинальным рабочим напряжением 220 В АС, 220 В AC/DC или 24 В AC/DC, в зависимости от модели.
Устанавливаются в постах кнопочных, электрощитах, постах дистанционного управления, промышленном оборудованиии, на объектах энергоснабжения.
Могут использоваться на подвижных и неподвижных частях стационарных установок.
Успешно прошли испытания в независимой лаборатории на соответствие степени защиты от пыли и влаги IP54.
Соответствуют ГОСТ 50030.5.1-2005.
Принцип действия
- При прохождении электрического тока индикатор устройства излучает световой поток, цвет которого определяется цветом светофильтра.
Преимущества
![]() |
Антивандальное исполнение (высокая вибро- и ударостойкость) позволяет сохранить эргономичный внешний вид и функциональность устройств на протяжении всего срока службы. | ![]() |
Лампы коммутационные ЛК-22 имеют увеличенный срок службы 30000 часов, в отличие от 6000 часов у аналогов в том же ценовом сегменте. |
![]() |
Использование светодиодных матриц в качестве индикаторов снижает в 15 - 20 раз потребляемую электроэнергию, а также обеспечивает более яркий и ровный световой поток, по сравнению с неоновыми лампами. | ![]() |
Слабая чувствительность к колебаниям напряжения (±20% от номинала) позволяет использовать устройства управления и сигнализации в электрических цепях с нестабильным напряжением. |
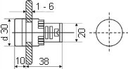
Размеры

Материалы и цвета
| Цвет светофильтра | Зеленый |
| Цвет переднего кольца | Черный |
| Материал | пластик |
Технические характеристики
| Артикул | 25065DEK |
| Тип изделия | лампа коммутационная |
| Тип индикатора | светодиодная матрица |
| Форма лампы | круглая |
| Номинальное рабочее напряжение, В | АС/DC 24 |
| Номинальный ток, мА | ?20 |
| Яркость света, кд/кв.м | ?40 |
| Испытательное напряжение промышленной частоты, АС, В | 2500 (1 мин.) |
| Диапазон рабочих температур, °C | -10... +40 |
| Степень защиты от пыли и влаги | IP54 |
| Диаметр отверстия для монтажа, мм | 22,3 |
| Способ подключения | винтовое соединение |
| Срок службы, часов | 30000 |
| Вес изделия, г | 20 |
Схема электрическая

Преимущества
- Доставка по всей России
- Более 200 000 товаров в ассортименте
- Профессиональная консультация
- Кабель БЕЗ опасности
- Качество по ГОСТу
-
Зайдите на страницу товара и нажмите на кнопку «В корзину».
Далее можно продолжить покупки или перейти к оформлению заказа.
-
Перейдите в Корзину и нажмите «Перейти к оформлению».
Можно авторизоваться или оформить заказ без регистрации. Зарегистрированные пользователи могут:
- Отслеживать статус заказа
- Получать спецпредложения и промокоды на дополнительные скидки
- Укажите Ваши контакты: ФИО, телефон и e-mail.
- Выберите способ получения заказа (доставка или пункт самовывоза) и способ оплаты.
- Далее «Оформить заказ».
Готово: ваш заказ создан! По электронной почте или в личном кабинете Вы можете отслеживать статус заказа.
Теперь останется только ждать доставки и радоваться новой покупке!
Оплачивайте покупки удобным способом.
В нашем интернет-магазине доступно 3 варианта оплаты:
- Оплата наличными или картой при самовывозе в пункте выдачи заказов/магазине.
- Онлайн-оплата на сайте при оформлении заказа. Для совершения покупки система перенаправит вас на страницу платежного сервиса. Здесь необходимо заполнить форму по инструкции.
- Оплата по счету для юридических лиц. Оплата происходит после предоставления реквизитов для выставления счета. Покупатель получает счет на указанный e-mail.
Доступно 3 варианта доставки:
- Самовывоз из магазина. Список торговых точек для выбора появится в корзине. Для получения заказа обратитесь к сотруднику в кассовой зоне и назовите номер заказа.
- Доставка транспортной компанией СДЭК или Почтой РФ в отделение или постамат.
По всем возникающим вопросам можете позвонить нам на горячую линию:
Ежедневно с 8:00 до 20:00 по МСК
E-mail: help@kristall43.ru
Адрес: 610000, г. Киров, ул. Щорса, 68г, кабинет 3



